Page 53 - 宝高样本画册
P. 53
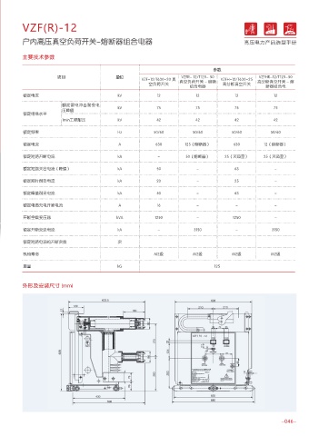
VZF(R)-12 VZF(R)-12
户内高压真空负荷开关-熔断器组合电器 户内高压真空负荷开关-熔断器组合电器 高压电力产品选型手册
Ҳݽ٫ಹ
主要技术参数
参数
项目 单位 VZFR- 12/T125- 50 VZFHR-12/T125-50
VZF-12/T630-20 真 真空负荷开关 - 熔断 VZFH-12/T630-25 高分断真空开关 - 熔
空负荷开关 高分断真空开关
组合电器 断器组合电
额定电压 kV 12 12 12 12
额定雷电冲击耐受电 kV 75 75 75 75
压峰值
额定绝缘水平
1min工频耐压 kV 42 42 42 42
额定频率 Hz 50/60 50/60 50/60 50/60
额定电流 A 630 125(熔断器) 630 12(熔断器)
额定短路开断电流 kA - 50(熔断器) 25(灭弧室) 25(灭弧室)
额定短路关合电流(峰值) kA 50 - 63 -
额定短时耐受电流 kA 20 - 25 -
额定峰值耐受电流 kA 50 - 63 -
额定电缆充电开断电流 A 16 - - -
开断空载变压器 kVA 1250 - 1250 -
以质量求生存,以科技求发展 额定开断交流电流 kA - 3150 - 3150
www.bgge.cn
额定短路电流的开断次数 次
机械寿命 M2级 M2级 M2级 M2级
重量 kG 125
概述 外形及安装尺寸 (mm)
VZF(R)-12型系列中置固封式真空负荷开关熔断器组合电器以下简称真空开关),是根据独特的设计概念并结合市场需求而研发的最新一代真空
开关设备,它广泛应用于户内铠装式空气绝缘开关柜中。它符合GB3804-2004 GB16926-1997等标准的规定。在正常使用条件下,只要在真
空开关的技术参数范围内,它就可以保证安全、可靠地运行于相应电压等级的电网中。
型号含义 使用环境
VZF(R)- 12 / T □ -□ ·环境空气温度 : - 40℃~+40℃ ,且在24小时内不超过35℃
·相对湿度:日平均值不大于95%;月平均值不大于90%
·海拔高度: ≤1000m
额定短路开断电流(kA)
额定电流(A)
操作方式:T 代表弹簧操作
额定电压(kV)
熔断器
真空负荷开关
-045- -046-

