Page 41 - 宝高样本画册
P. 41
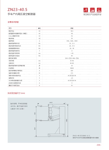
ZN23-40.5 ZN23-40.5
手车户内高压真空断路器 手车户内高压真空断路器 高压电力产品选型手册
Ҳݽ٫ಹ
主要技术参数
项目 单位 参数
额定电压 KV 40.5
额定雷电冲击耐受电压(峰值) KV 185
1min工频耐受电压 KV 95
额定频率 HZ 50
额定电流 A 1250、1600、2000
额定短路开断电流 KA 25、31.5
额定短路时耐受电流 KA 25、31.5
额定峰值耐受电流 KA 63、80
额定短路持续时间 S 4
额定短路开断时间 ms ≈90
额定短路关合电流 KA 80
额定操作顺序 分0.3-合分-180s-合分
合闸时间 ms 50~85
分闸时间 ms 40~85
额定短路开断电流开断次数 次 20
机械寿命 次 10000
额定电容器组开断电流 A 630
储能电机额定功率 W 275
储能电动机额定电压 V AC/DC220.110
储能时间 S <15
以质量求生存,以科技求发展
合分闸电磁铁额定电压 V AC/DC220.110
www.bgge.cn
过流脱扣器额定电流 A 5
辅助开关额定电流 A 10
外形及安装尺寸 (mm)
概述
ZN23-40.5型真空断路器为额定电压40.5KV,三相交流50Hz的户内高压电器设备,适用于工矿企业,变电站等输配电系统,作控制和
保护开关,尤其适用于治金、电弧炼钢等需频率操作的行业,作为控制和保护设备。
本产品符合GB1984-89《交流高压断路器》标准。
型号含义 正常使用条件
ZN 23-40.5 / 2000 - 31.5 ·空气温度:-25℃~+70℃;
·海拔高度:2000m;
·风速≤35米/秒,相对湿度≤95;
额定短路开断电流 ·抗震烈度:地震烈度8度;
额定电流 ·地面水平加速度1/4g,地面垂直加速度1/8g,安全系数1.7;
额定电压 ·污秽等级:III级;
设计序号 ·覆冰厚度:10mm;
户内真空断路器 ·系统中性点接地方式:中性点不接地/消弧线圈接地/小电阻接地系统。 ;/ $
-033- -034-

